Product Support

contact@kangook.com

Call Us

+1 (819) 538-5000

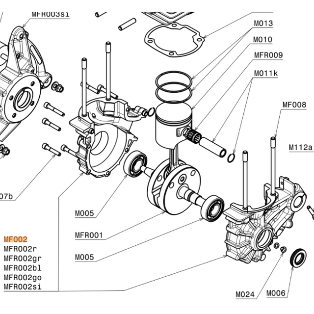
F002 | Engine carter block, manual starter

284.70$

Engine carter block, manual starter

(includes : F005 – F007 – M085a )

Shopping Cart